Редуктор NMRV 063 — один из самых распространённых червячных редукторов среднего типоразмера. Он применяется в приводах, где требуется компактное исполнение, пониженная скорость вращения и стабильная передача крутящего момента при умеренных нагрузках. Типоразмер 063 часто выбирают для замены вышедших из строя узлов или при проектировании оборудования с ограниченным монтажным пространством.
На практике под обозначением NMRV 063 может скрываться несколько вариантов исполнения, отличающихся по передаточному числу, типу входного фланца, выходному валу и способу установки. Ниже собрана информация, которая позволяет быстро сориентироваться и перейти к подходящему оборудованию.
Обозначение NMRV 063 расшифровывается следующим образом:
NMRV — червячный редуктор с алюминиевым корпусом
063 — типоразмер, определяющий габариты корпуса, допустимый крутящий момент и совместимые двигатели
Типоразмер 063 относится к среднему сегменту червячных редукторов и используется заметно чаще, чем меньшие размеры, когда нагрузка уже выходит за рамки вспомогательных механизмов.
Редуктор NMRV 063 построен по классической червячной схеме. Передача усилия происходит за счёт зацепления червяка и червячного колеса, что позволяет получать большие передаточные числа при компактных габаритах.
Основные конструктивные элементы:
алюминиевый литой корпус;
стальной червяк;
червячное колесо (как правило, бронзовое);
цельный выходной вал со шпоночным пазом;
подшипниковые опоры, рассчитанные на радиальные нагрузки.
Такая конструкция обеспечивает плавную работу и низкий уровень шума, что важно для оборудования, установленного вблизи рабочих зон.

Разрез червячного редуктора NMRV 063 с обозначением основных элементов передачи.
Редуктор NMRV 063 выпускается с широким диапазоном передаточных чисел — от относительно небольших до высоких значений, позволяющих получить очень низкую скорость вращения на выходном валу. За счёт этого один и тот же типоразмер может использоваться в разных механизмах.
Важно учитывать, что:
при увеличении передаточного числа снижается КПД;
возрастает тепловая нагрузка;
увеличивается выходной крутящий момент.
Поэтому при подборе редуктора NMRV 063 всегда оценивается не только передаточное число, но и режим работы.
NMRV 063 может использоваться:
как отдельный редуктор с входным фланцем под электродвигатель;
как мотор-редуктор NMRV 063 с уже установленным двигателем.
Мотор-редуктор удобен, когда требуется готовое решение без дополнительного подбора фланцев и переходников. Отдельный редуктор чаще выбирают при замене или когда двигатель уже установлен.
Редуктор NMRV 063 допускает несколько вариантов установки:
на лапах;
фланцевый монтаж;
установка в разных пространственных положениях.
Выходной вал может располагаться горизонтально или вертикально, что упрощает интеграцию в существующее оборудование.

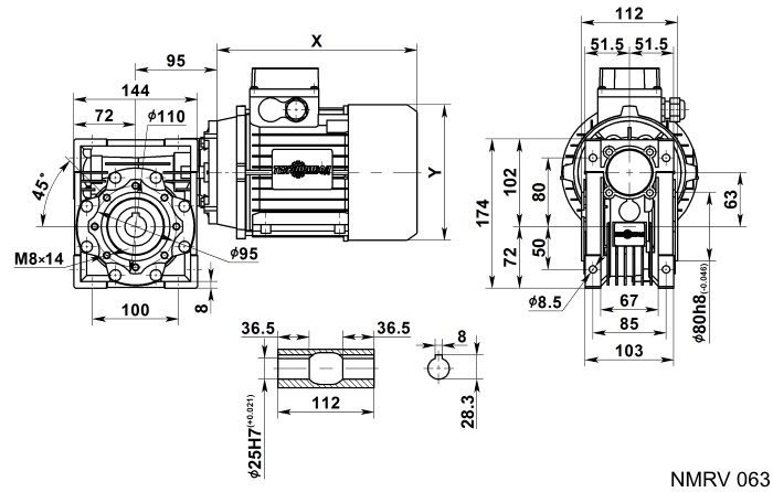
Габаритный чертёж NMRV 063 с указанием монтажных размеров.
Редуктор NMRV 063 выбирают, когда:
требуется компактный привод;
скорость вращения должна быть снижена;
нагрузка умеренная и предсказуемая;
важна простота конструкции;
допустим более низкий КПД по сравнению с цилиндрическими редукторами.
Он часто используется как стандартное решение для широкого круга механизмов.
В ряде случаев вместо NMRV 063 целесообразно рассмотреть:
цилиндрические редукторы — при длительной непрерывной работе и высоком КПД;
конические редукторы — если требуется изменить направление вращения;
планетарные редукторы — при повышенных крутящих моментах и ограниченных габаритах.
Цилиндрические редукторы
Конические редукторы
Запрос «NMRV 063» часто связан с заменой существующего редуктора. При этом важно учитывать:
передаточное число;
диаметр и длину выходного вала;
тип крепления;
условия эксплуатации.
Во многих случаях возможно подобрать технически эквивалентное решение без изменения конструкции оборудования.
Если вы подбираете редуктор или мотор-редуктор NMRV 063 для замены, нового проекта или модернизации оборудования, мы поможем определить оптимальную конфигурацию. Учитываются передаточное число, тип монтажа, выходной вал, режим работы и условия эксплуатации.
Позвоните нам или оставьте заявку — мы подберём подходящее решение или технически эквивалентный вариант с учётом ваших параметров и сроков.