Мотор-редуктор 1,1 кВт — один из самых востребованных вариантов привода для промышленного оборудования. Двигатель такой мощности используется в транспортёрах, дозирующих механизмах, упаковочных линиях, вспомогательных узлах станков и автоматизированных системах, где требуется стабильная работа, умеренные нагрузки и предсказуемые характеристики.
При этом под одним и тем же обозначением «1,1 кВт» может скрываться совершенно разное оборудование: с разной скоростью вращения, крутящим моментом, габаритами и принципом передачи усилия. Именно поэтому при поиске мотор-редуктора 1,1 кВт важно понимать, какие типы редукторов существуют и чем они отличаются, прежде чем переходить к конкретным позициям.
Мотор-редуктор состоит из электродвигателя и редуктора, который снижает обороты и увеличивает крутящий момент. Одинаковая мощность двигателя не означает одинаковые параметры на выходе.
На итоговые характеристики влияют:
тип редуктора;
передаточное число;
конструкция выходного вала;
режим работы;
характер нагрузки.
Например, мотор-редуктор 1,1 кВт может работать как на 150–200 об/мин, так и на 10–15 об/мин, при этом выходной момент будет отличаться в разы. Поэтому подбор всегда начинается не с бренда или модели, а с понимания типа редуктора.
Цилиндрический мотор-редуктор — наиболее универсальное и энергоэффективное решение. Передача усилия осуществляется через цилиндрические зубчатые колёса с параллельными валами, что обеспечивает высокий КПД и стабильную работу при длительных нагрузках.
Такие мотор-редукторы часто применяются:
в конвейерных системах;
в приводах с продолжительным режимом работы;
в механизмах с равномерной нагрузкой.
Когда выбирают цилиндрический мотор-редуктор 1,1 кВт:
требуется высокий ресурс;
важна энергоэффективность;
привод работает непрерывно.

Схема цилиндрического мотор-редуктора с параллельными валами
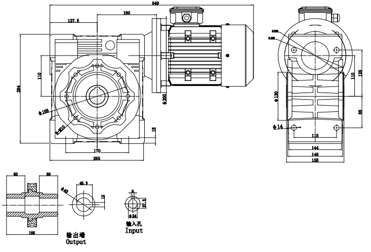
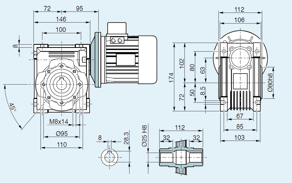
Червячные мотор-редукторы отличаются компактностью и плавностью хода. Снижение скорости происходит за счёт взаимодействия червяка и червячного колеса, что позволяет получать большие передаточные числа в небольшом корпусе.
Их выбирают, когда:
требуется низкая скорость вращения;
важно минимальное пространство для установки;
нагрузка не является экстремальной.
Следует учитывать, что КПД червячных редукторов ниже, чем у цилиндрических, особенно при высоких передаточных числах, поэтому они чаще используются в вспомогательных и позиционирующих механизмах.

Продольный разрез червячного мотор-редуктора с
Конические (или коническо-цилиндрические) мотор-редукторы применяются, когда необходимо изменить направление вращения, как правило, под углом 90°. Такая компоновка удобна при сложной геометрии оборудования и ограниченном пространстве.
Особенности:
высокая несущая способность;
компактное размещение;
устойчивость к нагрузкам.
Конические мотор-редукторы 1,1 кВт часто используются в транспортных системах и приводах, где важно совместить мощность и удобство монтажа.

Схема коническо-цилиндрического мотор-редуктора с угловым расположением валов.
Планетарные мотор-редукторы отличаются высокой плотностью мощности. При относительно небольших габаритах они способны передавать значительные крутящие моменты, что делает их востребованными в компактных и нагруженных приводах.
Преимущества:
минимальные люфты;
высокая точность;
компактный корпус.
Планетарные мотор-редукторы 1,1 кВт применяются там, где важна точность и жёсткость привода, а также при ограничениях по размеру.

Схема планетарного редуктора с центральной и сателлитными шестернями.
Одна из самых распространённых ошибок — ориентироваться исключительно на мощность двигателя. На практике для корректного подбора мотор-редуктора 1,1 кВт необходимо учитывать:
требуемую скорость на выходе;
расчётный крутящий момент;
режим работы (S1, S3 и др.);
наличие пусковых и ударных нагрузок;
способ монтажа и тип выходного вала.
Именно сочетание этих параметров определяет, какой тип мотор-редуктора будет работать надёжно и долго.
В зависимости от выбранного типа редуктора и передаточного числа мотор-редуктор 1,1 кВт может обеспечивать:
скорость вращения от единиц до сотен оборотов в минуту;
крутящий момент от десятков до сотен ньютон-метров.
Это позволяет использовать приводы данной мощности в широком диапазоне задач — от плавного перемещения до уверенной передачи усилия в технологических механизмах.
Если уже понятен тип редуктора, дальнейший выбор существенно упрощается. Переход к соответствующему разделу каталога позволяет сразу отфильтровать оборудование по конструктивному принципу и сосредоточиться на параметрах, которые действительно важны.
Запрос «мотор редуктор 1,1» объединяет сразу несколько типов оборудования. Чтобы сделать правильный выбор, важно не только знать мощность двигателя, но и понимать конструкцию редуктора, условия работы и требования к выходным параметрам. Такой подход позволяет подобрать мотор-редуктор 1,1 кВт, который будет стабильно работать в конкретной системе и не потребует доработок оборудования.